VAL-US-240/40/3+1-FM - Phoenix Contact - 2910367
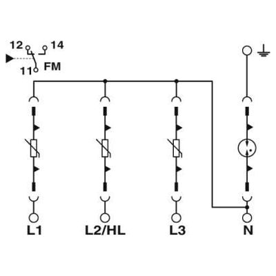
Устройство защиты от импульсных перенапряжений четырёхканальное с контактом дистанционной сигнализации для 240/415 В AC, 4 жилы и земля.Подробное техническое описание VAL-US-240/40/3+1-FM (артикул 2910367) в каталоге Phoenix Contact
«Источники питания, устройства защиты от перенапряжения и автоматические защитные выключатели 2019/2020»
![]()
![]()



Отзывы покупателей
Нет отзывов об этом товаре. Ваш отзыв может быть первым!