PSR-SPP-230AC/ESAM2/3X1/1X2/B - Phoenix Contact - 2901431
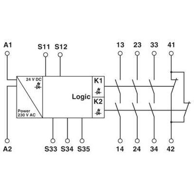
Реле безопасности для контроля аварийного останова и защитной дверцы до SIL 1, SIL CL 1, категория безопасности 1. Уровень эффективности защиты PL - с, в зависимости от приложения. Уровень полноты безопасности - до SIL 3, SIL CL 3, категория безопасности 4. Уровень эффективности защиты PL - e, одноканальный режим работы, 3 цепи активации, номинальное напряжение на входе 230 В AC/DC, втычная пружинная клеммаПодробное техническое описание PSR-SPP-230AC/ESAM2/3X1/1X2/B (артикул 2901431) в каталоге Phoenix Contact
«Автоматизация 2019/2020»
![]()
![]()
Предохранительное реле для аварийного останова и защитной двери до SIL 1, SIL CL 1, кат. 1, PL c, в зависимости от области применения до SIL 3, SIL CL 3, кат. 4, PL e, одноканальный режим, 3 цепи активации, напряжение управления 230 В AC / DC, штекерная клемма push-in




Отзывы покупателей
Нет отзывов об этом товаре. Ваш отзыв может быть первым!