PSR-MC72-2NO-1DO-24DC-SC - Phoenix Contact - 2702096
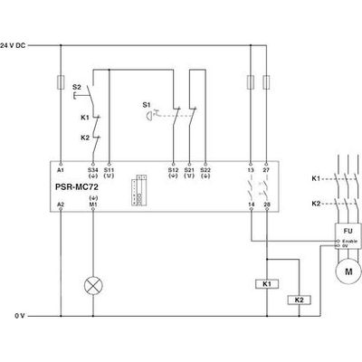
Реле безопасности с функциями аварийного останова, защитной дверцы и светового барьера. Уровень полноты безопасности - до SIL 3, категория безопасности 4. Уровень эффективности защиты PL - e. Одноканальный или двухканальный режим, контроль поперечного подключения, перезапускаемое, задержка срабатывания 0,2 с - 60 с, 2 цепи активации, Us = 24 В постоянного тока, вставные винтовые клеммыПодробное техническое описание PSR-MC72-2NO-1DO-24DC-SC (артикул 2702096) в каталоге Phoenix Contact
«Автоматизация 2019/2020»
![]()
![]()
Реле безопасности для аварийного останова, защитной дверцы, световой завесы до SILCL 3, кат. 4, PL e, 1- или двухканальный режим, контроль поперечного подключения, перезапускаемый, задержка срабатывания 0,2 с - 60 с, 2 цепи активации, US< / sub> = 24 В пост. тока, вставные винтовые клеммы



Отзывы покупателей
Нет отзывов об этом товаре. Ваш отзыв может быть первым!