EMM 3- 24DC/500AC-IFS - Phoenix Contact - 2297497
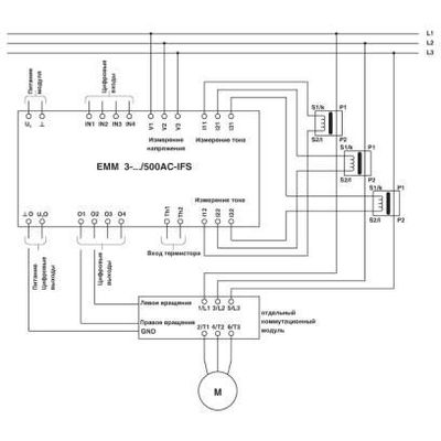
Электронный блок управления двигателем, для работы с внешним трансформатором тока - измерение активной мощности для контроля пониженной и повышенной нагрузки электродвигателя и установки, обеспечивающее оптимальную защиту для всех классов мощности. Настраиваемые пороговые значения для коммутации и сигнализации.Подробное техническое описание EMM 3- 24DC/500AC-IFS (артикул 2297497) в каталоге Phoenix Contact
«Технологии сопряжения и коммутационные устройства 2019/2020»
![]()
![]()
Электронный блок управления двигателем, для работы с внешним трансформатором тока - измерение активной мощности для контроля пониженной и повышенной нагрузки электродвигателя и установки, обеспечивающее оптимальную защиту для всех классов мощности. Настраиваемые пороговые значения для коммутации и сигнализации.
Оставить отзыв
Эти товары могут быть тоже интересны









Отзывы покупателей
Нет отзывов об этом товаре. Ваш отзыв может быть первым!