UKH 95-3L/N/FE-F - Phoenix Contact - 3076617
Подробное техническое описание UKH 95-3L/N/FE-F (артикул 3076617) в каталоге Phoenix Contact
«Электротехнические клеммы 2017/2018»
![]()
![]()
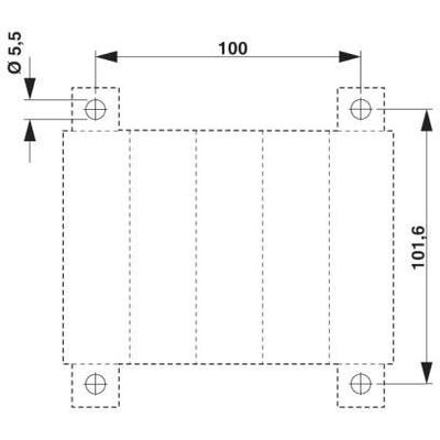
Клемма для высокого тока, подключение с помощью винтовых зажимов, количество полюсов - 5, номинальное сечение подключаемых проводников - 25 мм² - 95 мм², AWG: 4 - 3/0, ширина - 125 мм, Высота: 90 мм. Цвет: серый/синий/черно - желтый, Тип монтажа: Непосредственное резьбовое





Отзывы покупателей
Нет отзывов об этом товаре. Ваш отзыв может быть первым!